Будьте в курсе!
Новости, обзоры и акции
Время работы:
ПН-ПТ 10:00 - 19:00
СБ-ВС выходной
Новости, обзоры и акции
|
|
|
|
|
|
(0)
|
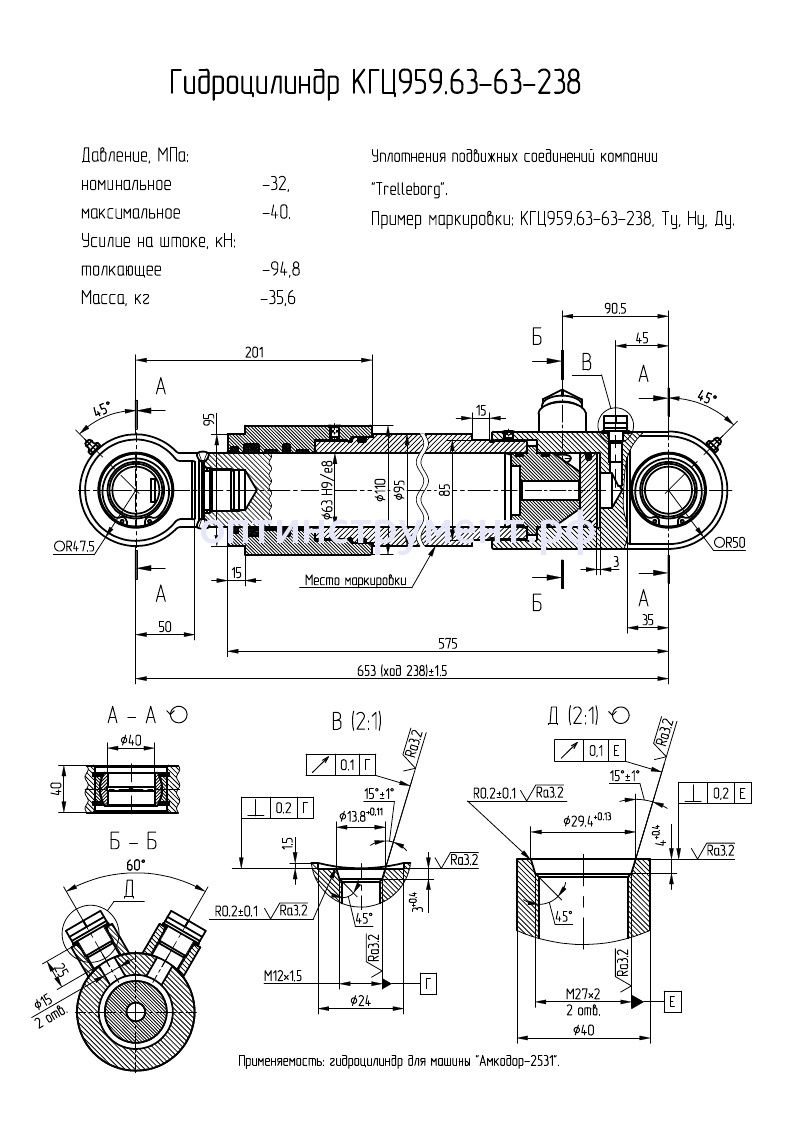
Вы можете узнать актуальную цену для города Симферополя, на гидроцилиндр КГЦ959.63-63-238, сделав запрос, на наш электронный адрес 2584500@bk.ru
Гидроцилиндр для машины "Амкодор-2531" КГЦ 959.63-63-238 в продаже по цене 0 руб. в Интернет-магазине Проф-инструмент с доставкой в Симферополе и Крыму. Звоните по телефону +8 (800) 302-10-51.
Новости, обзоры и акции
